shkush 14906 Жалоба Опубликовано 24 июля @ЛаГГен и калиевую селитру с монофосфатом калия садовые берет не заморачиваясь с чда реактивами. Аквы его ты видел. Кроме этого нужен осмос (твой пойдет ссыльна новый давать не буду?), лабораторный стакан на 1000мл https://www.ozon.ru/product/stakan-laboratornyy-nizkiy-na-1000-ml-1240054432/ типа этого, весы с точностью до 0,01гр https://www.ozon.ru/product/portativnye-vesy-isa-yuvelirnye-elektronnye-vesy-200-gramm-0-01gr-562343980/ типа таких. 21 минут назад, Antik сказал(а): Да. У него все удо заточено на 1 раз в неделю. Если подмен больше, то пересчёт на объем подмены. Обожаю ленивых аквариумистов. Поделиться сообщением Ссылка на сообщение
VALKNUT 3842 Жалоба Опубликовано 24 июля 24 минут назад, shkush сказал(а): Добавки железо, марганец, медь, бор все буйское беру в ашане, оби или других гипермаркетах Железо, марганец, медь, бор - не нашел.. Но есть такой набор "БХЗ Удобрение смесь хелатов в ампулах 4 шт10 мл Аквамикс" В общем, пока нифига всё равно не понятно ЗЫ. А нееет.... начинает проясняться... /показалось наверно/ 1 Пятница отреагировали на это Поделиться сообщением Ссылка на сообщение
Камень 2793 Жалоба Опубликовано 24 июля 49 минут назад, VALKNUT сказал(а): Если не сложно и найдется минутка, не мог бы ты прикрепить к словам ссылки, чтоб я не угадывал "такое ннада или не такое"... Игорь, ты решил сразу "из грязи в князи" ? Я пожалуй пока попробую оригинальный аквапозитив. Там кстати есть вариант с алхимическим ритуалом, если брать сухой порошок в пакетике. Этакая тренировка для начинающих самоместчиков. http://aquapozitiv.ru/katalog/poleznaya-informaciya/kak-primenyat-udobreniya/sposob-prigotovleniya-i-primenenie-udobrenij-ot-akvapozitiva.html И цена смешная по сравнению с коммерческими брендами: 150р за пакетик на 500 мл. Есть и готовый жидкий вариант, подороже, но все равно дешевле чем бренды 300р за 350 мл. Вот каталог http://aquapozitiv.ru/katalog/fotokatalog-rastenij/akvariumnaya-himiya1/udobreniya.html 10 часов назад, Antik сказал(а): лью аквапозитив: микро, макро и рем. "Равновесие" к рему добавляешь? Берешь сушку в пакетиках или жидкие? Как их заказывать? 1 1 shkush и VALKNUT отреагировали на это Поделиться сообщением Ссылка на сообщение
Камень 2793 Жалоба Опубликовано 24 июля 1 час назад, shkush сказал(а): 1 час назад, Antik сказал(а): Да. У него все удо заточено на 1 раз в неделю. Если подмен больше, то пересчёт на объем подмены. Обожаю ленивых аквариумистов. О да! Это чудо, а не удобрение! @Antik Где ты был раньше? Поделиться сообщением Ссылка на сообщение
Antik 4984 Жалоба Опубликовано 24 июля @Камень во-первых давай договоримся, что я тебе эти удо не советовал. Ну на всякий. Во-вторых я давно про них пишу. Ну и в-третьих: Беру жидкое. Пишу Андрею в личку. На сайте бесполезно. Оплачиваю. Он отправляет. Его тг-канал https://t.me/aquapozitif. Ну и еще. Ты меня не послушаешь, но напишу: не бери моно. Бери комплекс. А, да. Рем обязательно с равновесием. В нем вся "соль". Но это для осмоса. И еще. Если таки будешь брать рем, то на 500 гр порошка (это упаковка) нужно 2 бутылки равновесия. И еще2. Микро храню при комнатной. Макро после вскрытия в холодильнике. Можно и при комнатной, но в холодосе пишут лучше. Равновесие после вскрытия - только холодильник. Микро/макро отливаю из бутылок в пузырьки поменьше. В них шприцом залезаю. В основные банки - нет. Порошок отсыпаю в стаканчик для сдачи мочи на анализы. Стакашка в холодильнике. Банка с остальным порошком в тумбе. В самом тёмном углу. Нужны еще весы ювелирные. Для порошка. Но можно и в мл. пересчитать все и набирать нужное количество порошка шприцом, используя мирную линейку (без поршня). Я использую весы. 1 1 Nevidimka и Камень отреагировали на это Поделиться сообщением Ссылка на сообщение
VALKNUT 3842 Жалоба Опубликовано 24 июля 2 часов назад, Камень сказал(а): Игорь, ты решил сразу "из грязи в князи" ? Я решил спросить как лучше, получил подсказки... Если есть другие подсказки - подсказывай! 1 Пятница отреагировали на это Поделиться сообщением Ссылка на сообщение
Камень 2793 Жалоба Опубликовано 24 июля 1 час назад, VALKNUT сказал(а): Если есть другие подсказки - подсказывай! Я в таком же положении как и ты, мое удо тоже запретили. Есть ещё подсказки Андрея про аквапозитив. Они постом выше. 2 часов назад, Antik сказал(а): @Камень во-первых давай договоримся, что я тебе эти удо не советовал. Ну на всякий. Да, давай все на Диму свалим! Они случайно не входят в перечень запрещённого к просмотру контента? Ладно, договорились, не сдам тебя! Если что, то я вообще тебя "в первый раз вижу". А у тебя нет случайно референтной ссылки типа "скидка другу 20%" ? 1 час назад, Камень сказал(а): Есть ещё подсказки Андрея про аквапозитив. Очень хорошие удобрения! Но если чё, то я его не знаю и он мне их не советовал. 2 часов назад, Antik сказал(а): Во-вторых я давно про них пишу. Пишешь может и давно, но офигенную фотку результата их применения только вчера выложил. Поделиться сообщением Ссылка на сообщение
Antik 4984 Жалоба Опубликовано 24 июля @Камень да я о другом: если вдруг что-то пойдет не так (хотя не должно) - чур не обижаццо на мну за то, что выдернул тебя из секты свидетелей акваеруса. Поделиться сообщением Ссылка на сообщение
Камень 2793 Жалоба Опубликовано 24 июля @Antik Да я понял. Ты искренне делишься положительным опытом, что бы и другие могли им воспользоваться. И конечно не приятно, если тебя потом за это ещё и в чем то обвиняют. Каждый сам принимает решение и сам за него отвечает, поэтому претензий к тебе в принципе не может быть. Вот я и решил (в шутку) направить твои опасения немного в другое направление. 1 Antik отреагировали на это Поделиться сообщением Ссылка на сообщение
shkush 14906 Жалоба Опубликовано 24 июля 1 час назад, Antik сказал(а): @Камень да я о другом: если вдруг что-то пойдет не так (хотя не должно) - чур не обижаццо на мну за то, что выдернул тебя из секты свидетелей акваеруса. Апостол аквапозитива - Антикопозитивный. Идущие на смерть приветствуют тебя. Аве тебе. Вырасти бритого ахилесса.? 6 Пятница, Nevidimka, Волька_ибн_А и 3 люди отреагировали на это Поделиться сообщением Ссылка на сообщение
Волька_ибн_А 6898 Жалоба Опубликовано 25 июля @shkush, Дим, тоесть жизнь внесла коррективы и ты переключился на садовые удо? Еретик??! предал хч и чда??! Анафема ПыСы. Вааапрос... Дим, а получается ли у вас с Джульетой ануб марбл вырастить? Или, хотя бы, боль/мень продолжительное время содержать его живым в аквариуме? Чот, последнее время, стали часто встречаться они в продаже, меристемой. Гляжу на него - симпатичное белое пятнышко могло бы быть в аквариуме (даже с водорослями ?). Но, помнится, мало кто говорил о нём добрые слова раньше... 12 часов назад, shkush сказал(а): Антикопозитивный Корректирну нямного - Антиквапозитивный. Поделиться сообщением Ссылка на сообщение
Камень 2793 Жалоба Опубликовано 25 июля 12 часов назад, Antik сказал(а): Беру жидкое. Почему не порошок? Он компактнее и удобнее для пересылки и дешевле. Поделиться сообщением Ссылка на сообщение
Antik 4984 Жалоба Опубликовано 25 июля 1 час назад, Камень сказал(а): Почему не порошок? я ОЧЕНЬ ленивый аквариумист. 2 Nevidimka и Камень отреагировали на это Поделиться сообщением Ссылка на сообщение
Камень 2793 Жалоба Опубликовано 25 июля 15 часов назад, Antik сказал(а): Микро/макро отливаю из бутылок в пузырьки поменьше. В них шприцом залезаю. В основные банки - нет. А я отливаю в 100 мл пузырьки от перекиси и из них уже капаю в аквариум. Там получается в мл - 18 капель. И в 100мл пузырьки от удобрений с капельным дозатором, там в мл - 10 капель. Поделиться сообщением Ссылка на сообщение
Antik 4984 Жалоба Опубликовано 25 июля @Камень не люблю капли/пшики. Малейшая потеря внимания и...лень. Я купил иглы, что недавно @VALKNUT Сергеич спамил. И довольный: целые - 10 мл шприц. Десятые/сотые - инсулиновый шприц. 2 Волька_ибн_А и Nevidimka отреагировали на это Поделиться сообщением Ссылка на сообщение
shkush 14906 Жалоба Опубликовано 25 июля 6 часов назад, Волька_ибн_А сказал(а): Дим, тоесть жизнь внесла коррективы и ты переключился на садовые удо? Еретик??! предал хч и чда??! Анафема Я использую садовые для замеса микро очень давно. Макро и рем по прежнему на химреагентах хч и чда. 6 часов назад, Волька_ибн_А сказал(а): ПыСы. Вааапрос... Дим, а получается ли у вас с Джульетой ануб марбл вырастить? Или, хотя бы, боль/мень продолжительное время содержать его живым в аквариуме? Чот, последнее время, стали часто встречаться они в продаже, меристемой. Гляжу на него - симпатичное белое пятнышко могло бы быть в аквариуме (даже с водорослями ?). Но, помнится, мало кто говорил о нём добрые слова раньше... Семь раз брали эту меристему выжил только один кустик в теплице. Зряшный перевод денег. Обрати лучше внимание на var. Nana pinto или sp. White. Поделиться сообщением Ссылка на сообщение
VALKNUT 3842 Жалоба Опубликовано 25 июля На 2 страницы интересных (реально) обсуждений и в сухом остатке у меня осталось: - лил НИЛПА, лей НИЛПА. Покупать весы пока не буду, т.к. нет точного понимания ЧТО на них взвешивать. Литрушек НИЛПА хватит на пол года, может к тому времени вырастут кристаллы понимания и отфильтруется пустая информация. Если есть сисадмины - с праздником собратья и сосёстры! Поделиться сообщением Ссылка на сообщение
Antik 4984 Жалоба Опубликовано 25 июля 1 час назад, VALKNUT сказал(а): т.к. нет точного понимания ЧТО Вот у меня также... с твоими ардуино... 1 VALKNUT отреагировали на это Поделиться сообщением Ссылка на сообщение
VALKNUT 3842 Жалоба Опубликовано 25 июля 12 минут назад, Antik сказал(а): Вот у меня также... с твоими ардуино... Но есть одно НО.. Если кто-то меня спрашивает, я даю избыточную информацию, понимая, что не каждый имеет достаточно "компетенций".. Даю с ссылками и рекомендациями.. В моём случае пока многабукаф и лей, че лил =)))))))))))) 1 Пятница отреагировали на это Поделиться сообщением Ссылка на сообщение
Antik 4984 Жалоба Опубликовано 25 июля @VALKNUT так ты уточни, что не понятно. На мой взгляд, инфы более, чем. В том смысле, что лично мне не понятно, где нужно что-то уточнить 1 Nevidimka отреагировали на это Поделиться сообщением Ссылка на сообщение
Волька_ибн_А 6898 Жалоба Опубликовано 25 июля 1 час назад, VALKNUT сказал(а): Покупать весы пока не буду, т.к. нет точного понимания ЧТО на них взвешивать. Игорь, а ты кофей пьёшь? Я тут, недавно, обнаружил исчо адно применение весам - вычитал в тырнетах, что для заваривания кофе в турке нужно соблюдать соотношение 1 г кофе на 10 мл воды... А я, как раз, кофеёк утрешний готоффлю в турке. Камлание такое , на удачный день, типа - убежит/не убежит. И всегда считал, что кладу много кофе на свою чашку. Прочитал про 1:10, взвесил на удошных весах свою порцайку молотого кофе и оказалось, что я слабак. Даже половины нормы не выдерживаю... Попробовал жахнуть по норме. Жостка. 1:10 это весчь! Но при условии чашки на 50 мл (малый эспрессо...), а я-то завтракаю кофеем. Мне нада 300-350 мл. В общем - весы нужны не только для удо. Кстати, жена на них дрожжи взвешивает, когда плюшки печёт. Там тоже пропорции свои. Полезная вещь в хозяйстве. На них взвешивать - што хошь. Хошь денех... ? 1 2 Камень, Пятница и VALKNUT отреагировали на это Поделиться сообщением Ссылка на сообщение
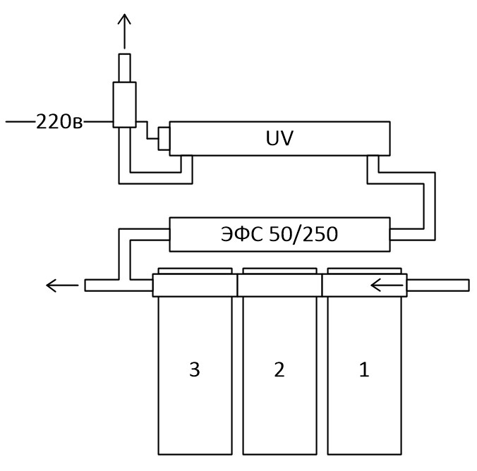
VALKNUT 3842 Жалоба Опубликовано 25 июля То, сё, пятое, десятое... Решил я перебрать систему очистки воды, которая не осмос.. Получается такое решение.. 3 ступени очистки + BFG (большое финишное глушило), УФ стерилизатор с датчиком потока... После третьей ступени забирается на осмос через обратный клапан... По полочкам: 1. 3 ступени очистки 2. Финишное глушило 3. Стерилизатор 4. Датчик потока 12 минут назад, Волька_ибн_А сказал(а): Игорь, а ты кофей пьёшь? Да! Люблю "Зеленый" Жардин. Натуральный кофе не люблю.. перхоти много 30 минут назад, Antik сказал(а): В том смысле, что лично мне не понятно, где нужно что-то уточнить Ок. Давай как для йододефицитных.. - вот ссылка, купить такое1, столько вбить в амлет - вот ссылка, купить такое2, столько вбить в тот же амлет .......... Положить в хлебницу объемом 4 буханки французского батона и смешать с Шато де Монтифо 100 лет, содержимое влить в аквариум при температуре моря в Сочи, равной 5,5°C в 08-00 утра 32 декабря. Блин.... ну не могу я так.. мне блин конкретика нужна! Ну не бывает 4 почти равно 3 или 5!!!!!!!!!!!! Мне надо точно ЖЫ!!!!!!!!!!! 2 Nevidimka и AlexLi отреагировали на это Поделиться сообщением Ссылка на сообщение
Antik 4984 Жалоба Опубликовано 25 июля @VALKNUT я все равно тебя не понимаю. Есть УДО от аквабаланса - это одна история. Есть - от watersci. Другая история. Есть коммерческий самомес аквапозитив. Это третья история. В какую историю играть - выбираешь ты сам. Как я могу тебе сказать: Цитата вот ссылка, купить такое1 А? Я твоим кошельком не распоряЖаюсЪ. Слава Богу. Если твои слова относятся к Деминой алхимии, то тут звиняй. Я в этом дерево - у меня алхимического камня нету. 45 минут назад, VALKNUT сказал(а): Решил я перебрать систему очистки воды, которая не осмос.. А оно для чего? Поделиться сообщением Ссылка на сообщение
VALKNUT 3842 Жалоба Опубликовано 25 июля 1 час назад, Antik сказал(а): А оно для чего? Дети... им не нравится минерализованный осмос... Ну и бадяжить осмос таким "краном" не западло.. 1 час назад, Antik сказал(а): Я в этом дерево - у меня алхимического камня нету. Пффф.. у меня даже алхимического синтепона нету 1 час назад, Antik сказал(а): я все равно тебя не понимаю. Андрюш, ну я тоже ваапщета нихрена не понимаю... Есть НИЛПА с суточной/недельной дозировкой.. Есть великий и ужасный Дим, с его утонченными самомесами (респект и уважуха, кстати!) Есть красивые бутылочки с прекрасными названиями.. Нет простого и четкого: нах НИЛПА, лей ПИЛПА... Я стараюсь разобраться, мамай клянус! Но квантовая химия пока очень далека от моего понимания Поделиться сообщением Ссылка на сообщение
Antik 4984 Жалоба Опубликовано 25 июля 51 минут назад, VALKNUT сказал(а): Дети... им не нравится минерализованный осмос... Блин. Ты такой кулибин. Вот зачем уф и 3 картриджа на уголь? А если осмос - это в другую сторону от Уфа. То я вашпетничотне понял. Зачем такие сложности? Цитата Есть НИЛПА с суточной/недельной дозировкой.. У тебя с нилпой не получается. Почему-то. Ну я такой вывод сделал. Звиняй. Иначе у тебя с водорослями был бы полный силь во пле. Никто тебе не скажет что для твоей воды, грунта и света из УДО будет лучше. Поэтому и совет мой был таким, каким был. Тут только подбором. А Дима тебе вполне нормальный совет дал - бодяжить самому. Нормальный потому, что хотя бы все будет свежее. Мы с тобой не знаем, в каких условиях продаван хранил твою нилпу. Так шта. Решай сам. Не хочешь аквапозитив - или аквабаланс, или ватерсцы. На озонах их есть. Только бери банки по 250 мл. А если жаба душит - совет Димы: бодяжить самому … дешево, сердито и всегда свежее. Если ты решишь таки слезать с нилпы - выбирай производителя. Скажу что брать. Если решишь на Ниле оставаться. Можем попробовать посчитать сколько тебе лить нужно и сравнить с тем, сколько льешь. Вдруг мало? Или много… 2 Nevidimka и VALKNUT отреагировали на это Поделиться сообщением Ссылка на сообщение
Камень 2793 Жалоба Опубликовано 25 июля 53 минут назад, VALKNUT сказал(а): Нет простого и четкого: нах НИЛПА, лей ПИЛПА... Кароч. Я возьму себе аквапозитив, пока жидкый и пока только Микро и макро и буду лить в два кубика(с СО2 и без). В третий кубик буду доливать остатки акваеруса. И тебе отолью - попробуешь в одном из аквариумов. Так нормально? Поделиться сообщением Ссылка на сообщение
VALKNUT 3842 Жалоба Опубликовано 25 июля Посоны, я тронут вашим участием! Но я как раз и хотел бы выяснить ЧТО лучше, чтоб "нести как знамя".. Андрей, давай посчитаем! Я очень даже ЗА! И перехожу на подмену "один раз в три дня 30%". Петр, дружище Битнер! Мне не отлить ннада, а понять скока лить и чего лить Поделиться сообщением Ссылка на сообщение
Antik 4984 Жалоба Опубликовано 25 июля 27 минут назад, VALKNUT сказал(а): давай посчитаем! Ну? Чего льешь? Названия. Я не Парацельс. Всего не знаю. Поделиться сообщением Ссылка на сообщение
Камень 2793 Жалоба Опубликовано 25 июля 1 час назад, Antik сказал(а): Ну? Чего льешь? Названия. "Чего, чего". Посчитай ему дозировку аквапозитив Микро и макро для его аквариумов. 1 час назад, Antik сказал(а): Я не Парацельс. Парацельс (настоящее имя — Филипп Ауреол Теофраст Бомбаст фон Гогенгейм) — швейцарский алхимик, врач, философ, естествоиспытатель и натурфилософ эпохи Возрождения. Точно не ты? Поделиться сообщением Ссылка на сообщение
VALKNUT 3842 Жалоба Опубликовано 26 июля 9 часов назад, Antik сказал(а): Ну? Чего льешь? Названия. Я не Парацельс. Всего не знаю. Лью НИЛПА Макро - https://ozon.ru/t/UMZIzpb | Состав: Спойлер г/л, элемента K (Калий) — 11,674 N (Азот) — 4,692 P (Фосфор) — 0,360 г/л, вещества K (Калий) — 33,8 N (Азот) — 33,8 P (Фосфор) — 1,579 Вещество KNO3, KH2PO4 Микро2 - https://ozon.ru/t/GNr4jqM | Состав: Спойлер Содержание в 1 мл: - Нитрат (NO3) - 6.2 мг; Калий (K) - 4 мг; Железо (Fe) - 0.5 мг; Марганец (Mn) - 0.2 мг; Медь (Cu) - 0,02 мг; Цинк (Zn) - 0,007 мг; Бор (B) - 0,04 мг; Магний (Mg) - 0.4 мг; Кобальт (Co) - 0.004 мг; Молибден (Mo) - 0,02Все микроэлементы находятся в безопасной, легкоусвояемой хелатной форме. Железо - https://ozon.ru/t/qybsOmi | Состав: Спойлер г/л, элемента Железо (Fe) — 2,000 Марганец (Mn) — 0,371 Вещество — ДТПА Fe, ЭДТА Mn Каждый день лью микро и макро и раз в неделю железо. В большой (120л по стеклу / 130л по воде... с сампом) аквас лью всё по 5мл, в маленький (28л по стеклу / 30л по воде.. с внешником) всё по 1мл. Поделиться сообщением Ссылка на сообщение
Antik 4984 Жалоба Опубликовано 26 июля @VALKNUT 1. Просто, на всякий случай, проверь пожалуйста состав макро. На сайте нилпы он другой. 2. Покажи аквы общим планом. Каждый. 3. Что показывают тесты на нитрат и фосфат к подмене? 4. Железо тоже 5 мл, но 1 раз в неделю? 1 VALKNUT отреагировали на это Поделиться сообщением Ссылка на сообщение
shkush 14906 Жалоба Опубликовано 26 июля В 25.07.2025 - 20:09, VALKNUT сказал(а): Есть великий и ужасный Дим, с его утонченными самомесами (респект и уважуха, кстати!) За респект спасибо. Но хрен ли там утонченного -тебе считать и думать не нужно, я вроде не растекался по коряге: взвесить 12 гр и высыпать пакет железа все. Нет тут никакого колдунства, драйверы прописывать не нужно. В12 сам попробую и напишу. За 4 года я сменил 5 брендовых и 3 своих рецептов микро. Вывод -разница минимальна. 3 раза пробовал понять в чем сила ежедневности - нет разницы. Вывод-нас дурят очень сильно: нам продают 12-16 гр сх удо по цене 1кг. Просто цена ошибки меньше когда разводишь 12 гр и 12 кг это и есть единственное отличие : для меня +- 10 гр фаталити для них мелочь не стоящая внимания. Пысы: есть еще одна мелочь у тебя 2 аквы, а у меня 12. Кто из нас перейдет на самомесы? 3 VALKNUT, Пятница и Волька_ибн_А отреагировали на это Поделиться сообщением Ссылка на сообщение
VALKNUT 3842 Жалоба Опубликовано 27 июля 20 часов назад, Antik сказал(а): @VALKNUT 1. Просто, на всякий случай, проверь пожалуйста состав макро. На сайте нилпы он другой. 2. Покажи аквы общим планом. Каждый. 3. Что показывают тесты на нитрат и фосфат к подмене? 4. Железо тоже 5 мл, но 1 раз в неделю? 1. Покупал именно вот это - https://ozon.ru/t/wieQEl3 Состав из описания: "Содержание в 1 мл Нитрат (NO3) - 20 мг; Фосфат (PO4) - 1 мг; Калий (K) - 13 мг" 2. Чуть позже фоткну. 3. Ээээ... сложно сказать, сегодня запланирована подмена, после установки фильтров на кухне, сделаю замер. 4. Да, 1 раз в неделю. 5мл в большой и 1мл в маленький 4 часов назад, shkush сказал(а): Но хрен ли там утонченного -тебе считать и думать не нужно, я вроде не растекался по коряге: взвесить 12 гр и высыпать пакет железа все. Нет тут никакого колдунства, драйверы прописывать не нужно. Не, ты не понял в чем моя трудность //Ты говоришь со мной как с учеником химика, а я на уровне таксиста ученика химика Я ищу на маркетплейсах указанные тобой "химикалии" и если название отличается от указанно тобой, то просто прохожу мимо. Ты берешь для дела то, что нужно, как бы оно не называлось и кто бы его не произвел, тебе понятны составы и пропроции. В моем случае, я от тебя получаю вполне себе четкое "задание": - приобрести "Хренька №1" от производителя Ништяковского - приобрести "Хренька №2" от производителя Ништяковского - приобрести "Хренька №3" от производителя Средне-Ништяковского И если я у Ништяковского не нахожу "Хренька№2", а название у Средне-Ништяковского этойже хреньки, например "МегаХренька№100500", то для меня это вооообще разные "химикалии"... а для тебя одна хрень, т.к. ты ПОНИМАЕШЬ, что ты ищешь/покупаешь. По этому я и попросил - дай сслыки У меня нет Ашанов, ближайший рядом Петром(@Камень), хороший повод встретиться еще раз, но пока других забот хватает =) Поделиться сообщением Ссылка на сообщение
shkush 14906 Жалоба Опубликовано 27 июля 2 часов назад, VALKNUT сказал(а): По этому я и попросил - дай сслыки На Аквамикс Л и Агромикс Т ссылки у тебя. Вот тебе на остальное: https://www.wildberries.ru/catalog/73786238/detail.aspx ткнуть на вкладку с железом химзнаний должно хватить.?? Но вариант @Antik с покупкой готового доступен и ученику таксиста ученика химика. Плюс объемы требуемого удо у нас несопоставимы -мне на более тонны воды его придется пятилитровыми канистрами брать, а тебе пару бутылочек нужно. 1 VALKNUT отреагировали на это Поделиться сообщением Ссылка на сообщение
VALKNUT 3842 Жалоба Опубликовано 27 июля 8 часов назад, shkush сказал(а): На Аквамикс Л и Агромикс Т ссылки у тебя. Воооот! Вот оно!!!! Так что надо, "Аквамикс Л" или "Агромикс Т" или оба два? В 24.07.2025 - 18:21, shkush сказал(а): купить на озоне или яндексе садовый агромикс т и отмерить 12гр? Купить, а потом высыпать 5гр пакет буйского железа дтпа? Или есть сложность долить это до литра осмосом? Вылить туда 10-20мл сайдекса и возможно ампулу в12? В 24.07.2025 - 18:59, shkush сказал(а): Добавки железо, марганец, медь, бор все буйское беру в ашане, оби или других гипермаркетах 8 часов назад, shkush сказал(а): ткнуть на вкладку с железом То есть: "марганец, медь, бор" - не надо? Очень фрагментированная информация 8 часов назад, shkush сказал(а): Но вариант @Antik с покупкой готового доступен и ученику таксиста ученика химика. Вариант с покупкой готового - нормальный вариант, но еще Андрей @Antik (мир его дому) предложил мне посчитать НИЛПА применительно к моим аквам. /Ждет от меня инфы, а я монтирую фильтр (комплекс мероприятий) на кухне и теперь просто жду воду - нет её заразы.. выключили утром (это Новороссийск, это норма. Своей воды в городе нет и небыло) Поделиться сообщением Ссылка на сообщение